首页>> 产品中心>> 安博在线登录官网>> ESD静电保护安博在线登录官网>>

ESD静电保护安博在线登录官网
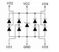
Part Number Download Circuit Status

Ppp

(W)

VRWM

(V)

VBRMin

(V)

VBRMax

(V)

IR

(uA)

CJ

(PF)

VC

(V)

IPP

(A)

Package
Active
DFN0603-2L-A
DFN1006-2L-A
DFN1006-3L
DFN1610-2L
DFN1610-2L-A
DFNWB0.6x0.3-2L
DFNWB1.0x0.6-2L
DFNWB1.0x0.6-2L-G
DFNWB2.5x1-10L
DFNWB2x2-3L
SOD-123
SOD-123FL
SOD-123FL-A
SOD-323
SOD-523
SOD-723
SOP8
SOT-143
SOT-23
SOT-23-6L
SOT-323
SOT-353
SOT-363
SOT-523
SOT-553
SOT-563
WBFBP-02C
WBFBP-02C-A
WBFBP-02L
WBFBP-03E
ESDQ12VFD1U


Active
2250
12
13
15
1
420
30
75
DFN1610-2L
ESDBL15VA1


Active
160
15
16.8
20
1
15
35
4
DFNWB1.0x0.6-2L
ESDBL18VD3


Active
200
18
19.2
25.2
1
13
36.5
5
SOD-323
ESDBL7V0AH1


Active
55
7
8
10
0.05
15
10
5
DFNWB1.0x0.6-2L-G
ESDHBL5V5AE1


Active
70
5.5
6

0.1
15
10
7
DFNWB0.6x0.3-2L
ESDBU5V0AE1C


Active
50
5
5.6
9.5
1
0.35
10
5
DFNWB0.6x0.3-2L
ESDE24VP1


Active
7600
24
25.5
-
1
740
40
190
DFNWB2x2-3L
ESDVD3V3H4


Active
375
3.3
5.6

0.1
4.5
15
25
SOT-23-6L
ESDBVD5V0C2


Active
45
5
5.6
10
1
3
15
3
SOT-23
ESDU5V0A2


Active
60
5
6
9
0.1
0.9
15
4
DFN1006-3L
ESDBU5V0Y1


Active
80
5
6.5
9.4
1
0.9
20
4
WBFBP-02C-A
ESDM15VD3


Active
204
15
16.7
20
1
30
34
6
SOD-323
ESDBL15VD3


Active
204
15
17.8
21
1
15
34
6
SOD-323
CESDLC5V0L4A


Active
35
5
6
7.2
1
10
14
2.5
SOT-553
CESD5V0D5


Active
170
5
6.2
7.3
10
95
13
13
SOD-523